TROXNETCOM AS-I FOR SMOKE CONTROL DAMPER SYSTEMS

 

TROXNETCOM AS-i Smoke control damper control system

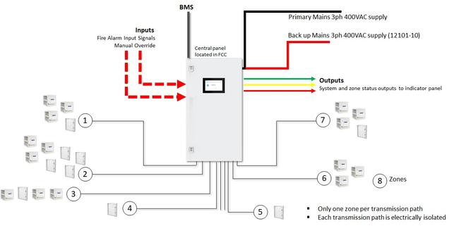
  • SCD CONTROL SYSTEM
Smoke and heat control systems are essential components of fire safety in buildings. Their primary purpose is to manage smoke and heat generated during a fire, thereby enhancing occupant safety and facilitating evacuation. Where smoke extraction is required in a building TROXNETCOM AS-i can be configured to control smoke control dampers compliant to BS EN 12101-8 which form part of a larger smoke and heat control system as described in BS ISO 21927-9.


The TROXNETCOM AS-i system continuously polls all connected dampers on a 5ms cycle time and detect faults extremely quickly. Faults are display on the user interface and at the BMS and cant be cleared until the faults is resolved. This is a centralised system located in the fire control centre with separate isolated transmission paths for each smoke extract zone providing both power and data to the dampers in that zone. The AS-i system works with BS8519 cat 3 cables 2 x 2.5mm2.  Because power and data are distributed over the same cable to each damper it significantly reduces site wiring time and cost. 

The system is configured with fire alarm inputs for each smoke extract zone and for manual intervention, MA, type systems inputs for manual override are provided for each smoke extract zone too. The system provides volt free contacts to signal the status of each smoke extract zone with healthy, warning and fire being indicated. The system uses buffered power supplies to ensure the control panel remains operational in the event of primary power failure in the 15 second window while the generator back up starts up. 

The centralised control panel is provided with a user interface with touchscreen for managing the system. The system comes with a BMS interface for status monitoring with BACnet IP or Modbus TCP protocols. Control panels are configured to suit the needs of each project. 


 

TROXNETCOM CONFIGURATIONS

TROXNETCOM AS-I Components

TROXNETCOM AS-i components




Discover TROXNETCOM AS-i components

TROXNETCOM AS-I CONFIGURED FOR 30 OR 60 DAMPERS

There are two standard configurations for simple systems of up to 30 or 60 dampers.



Discover 30 or 60 Damper configurations

TROXNETCOM AS-I LARGE MOTORISED FIRE DAMPER SYSTEMS

It is possible to design larger TROXNETCOM AS-i systems where up to 1735 AS-i enabled dampers can be controlled by one system.  By networking multiple TROXNETCOM AS-i preconfigured switch boxes together the system can be built up in a modular fashion.


TROXNETCOM for Large Fire Damper Systems

 

production {"x-frame-options"=>"SAMEORIGIN", "x-xss-protection"=>"0", "x-content-type-options"=>"nosniff", "x-permitted-cross-domain-policies"=>"none", "referrer-policy"=>"strict-origin-when-cross-origin", "strict-transport-security"=>"max-age=31536000; includeSubDomains", "content-type"=>"text/html; charset=utf-8", "link"=>"</assets/application-efbc495b06ca980ef13dc743756002fce2f413f798fecb64c7f0c81954c16402.css>; rel=preload; as=style; nopush,</assets/print-fec2e47d6d8dcc5d4c101139f17046ba981ca1c12f71e7e403fba50cc7584175.css>; rel=preload; as=style; nopush,</assets/other_js/modernizr.custom.93544-c26374a79d804901074bb4aa6fd3fa44ea22e840389915d2adce16b024021ef3.js>; rel=preload; as=script; nopush,</assets/other_js/js.cookie.min-de103d86d1919b40950f791699b4ce768137fde41af09b35ff92bde369732183.js>; rel=preload; as=script; nopush,</assets/other_js/jquery-3.5.1-2c4ce18a1a3f144c333912efc24a76c9a165a0dba9f88a499985df1af0a196a2.js>; rel=preload; as=script; nopush"}

Share page

Recommend this page

Recommend this page by sending a link by mail.

Fields marked with an (*) are required fields.

Share page

Thank you for your recommendation!

Your recommendation has been sent and should arrive shortly.

Contact

We are here for you

Please specify your message and type of request.
Tel.: +44 (0)1842 754545 | Fax: +44 (0)1842 763051

Attachment (max. 10MB)

Fields marked with an (*) are required fields.

Contact

Thank you for your message!

Your message is send and will be processed shortly.
Our department for Service-Requests will contact you asap.
For general question regarding products or services you can also call:
Tel.: +44 (0)1842 754545 | Fax: +44 (0)1842 763051

Contact

We are here for you

Please specify your message and type of request.
Tel.: +44 (0)1842 754545 | Fax: +44 (0)1842 763051

Attachment (max. 10MB)

Fields marked with an (*) are required fields.

Contact

Thank you for your message!

Your message is send and will be processed shortly.
Our department for Service-Requests will contact you asap.
For general question regarding products or services you can also call:
Tel.: +44 (0)1842 754545 | Fax: +44 (0)1842 763051