00134703_0
Multileaf damper JZ-HL-AL

Multileaf damper without accessories and attachments

00133336_0
Opposed blades


00134703_0
00133336_0

JZ-HL-AL

Multileaf dampers made of aluminium for low-leakage shut-off in air conditioning systems

Rectangular multileaf dampers for volume flow and pressure control as well as for low-leakage shut-off of ducts and openings in walls and ceiling slabs

  • Maximum dimensions 1200 × 1000 mm
  • Closed blade air leakage to EN 1751, class 2
  • Casing air leakage to EN 1751, class C
  • Aerofoil opposed action blades
  • Blades interconnected by gears
  • Available in standard sizes and many intermediate sizes


Optional equipment and accessories

  • Actuators: Open/Close actuators, modulating actuators
  • Powder-coated construction
  • Anodised construction

Application

Application

  • Multileaf dampers of Type JZ-HL-AL are used as an acting element in the volume flow and pressure control in air conditioning systems
  • For low-leakage shut-off of ducts and openings in walls and ceiling slabs
  • Powder-coated construction with increased corrosion resistance if required

Special characteristics

  • Aerofoil blades
  • Low-maintenance, robust construction
  • No parts with silicone
  • Available in standard sizes and many intermediate sizes
  • Closed cell side seals meet increased hygiene requirements

Classification

Closed blade air leakage to EN 1751

Test pressure up to 2000 Pa

  • Class 2

Nominal sizes

  • B: 200 – 1200 mm, in increments of 1 mm
  • H: 100, 150, 200, 250, 300, 350, 400, 450, 500, 550, 600, 650, 700, 750, 800, 850, 900, 950, 1000 mm
  • Any combination of B × H

Description

Parts and characteristics

  • Ready-to-install shut-off damper
  • Blades with gears
  • Drive arm
  • Quadrant stay with blade position indicator
  • Temperature resistant 0 – 90 °C

Attachments

  • Quadrant stays and limit switches: Quadrant stays to adjust the damper blades (stepless adjustment) and for capturing the end positions
  • Open/Close actuators: Actuators for opening and closing multileaf dampers
  • Modulating actuators: Actuators for stepless blade adjustment
  • Pneumatic actuators: Pneumatic actuators for opening and closing multileaf dampers

Accessories

  • Installation subframe: Installation subframe for the fast and simple installation of multileaf dampers

Construction features

  • Rectangular casing, with screws, material thickness 1.5 mm
  • Blades, material thickness 1.25 mm
  • Flanges on both sides, suitable for duct connection, with corner holes
  • Gears on both blade ends
  • Blade shafts, Ø12 mm, with notch to indicate the blade position (not for attachment ZS99)
  • With drive shaft as an attachment: For the position of the drive shaft see 'Dimensions and weight'
  • With actuator as an attachment: The actuator is attached to either the first blade from the top (with up to 3 blades) or to the third blade from the top (with 4 or more blades)
  • Blade tip seals

Materials and surfaces

  • Casing and blades made of extruded aluminium sections
  • Shafts, bearing plate and position indicator made of galvanised steel
  • Blade tip seals made of PE/PTV plastic
  • P1: Powder-coated, RAL CLASSIC colour
  • PS: Powder-coated, DB colour
  • S3: Anodised to EURAS standard, E6-C-0

Standards and guidelines

  • Casing air leakage to EN 1751, class C
  • Meets the general requirements of DIN 1946, part 4, with regard to the acceptable closed blade air leakage

Maintenance

  • Maintenance-free as construction and materials are not subject to wear
  • Contamination should be removed as it may lead to corrosion and to increased closed blade air leakage

Technical information

Function, Technical data, Quick sizing, Specification text, Order code, Related products

  • Function
  • Technical data
  • Quick sizing
  • Specification text
  • Order code
  • Related products
Schematic illustration of JZ-HL-AL 00104312_0.
① Casing
② Blade tip seal
③ Opposed blades
④ Gears
⑤ Bearing plate with quadrant stay
⑥ Actuator


Functional description

Multileaf dampers with gears can only have opposed action blades.

The internal gears transfer the synchronous rotational movement from the drive arm to the individual blades.

The torque for closing a multileaf damper must be such that the damper can be safely opened and closed.

For closure, the torque must suffice to ensure complete shut-off by the blades.

Opening is initiated without aerodynamic forces.

When air flows through the damper, the aerodynamic forces of the airflow create a closing force (torque) on the blades; this happens independent of the direction of the airflow. This closing force must be countered, or overcome. The blade position, or blade angle α, for which there is the largest torque depends, among other factors, on the fan characteristics.

Nominal sizes

200 × 100 mm – 1200 × 1000 mm

Maximum static differential pressure for a closed multileaf damper

2000 Pa

Operating temperature

0 – 90 °C


JZ-HL-AL, minimum torque

HB [mm]
H200400500600700800900100011001200
mmNm

100 – 450

5

5

5

5

5

5

5

5

5

5

500 – 1000

10

10

10

10

10

10

10

10

10

10


Aluminium multileaf dampers, free area

HB [mm]
H200300400500600700800900100011001200
mm

100, 150

0.014

0.022

0.030

0.038

0.047

0.055

0.063

0.071

0.079

0.087

0.095

200, 250

0.028

0.045

0.061

0.077

0.093

0.109

0.126

0.142

0.158

0.174

0.190

300, 350

0.043

0.067

0.091

0.115

0.140

0.164

0.188

0.213

0.237

0.261

0.286

400, 450

0.057

0.089

0.122

0.154

0.186

0.219

0.251

0.284

0.316

0.348

0.381

500, 550

0.071

0.111

0.152

0.192

0.233

0.273

0.314

0.354

0.395

0.435

0.476

600, 650

0.085

0.134

0.182

0.231

0.279

0.328

0.377

0.425

0.474

0.522

0.571

700, 750

0.099

0.156

0.213

0.269

0.326

0.383

0.439

0.496

0.553

0.610

0.666

800, 850

0.113

0.178

0.243

0.308

0.373

0.437

0.502

0.567

0.632

0.697

0.761

900, 950

0.128

0.200

0.273

0.346

0.419

0.492

0.565

0.638

0.711

0.784

0.857

1000

0.142

0.223

0.304

0.385

0.466

0.547

0.628

0.709

0.790

0.871

0.952

Intermediate sizes: Intermediate widths can be interpolated


JZ-HL-AL, sound power level for a closed multileaf damper

ΔpstArea [m²]
Δpst0.040.090.160.250.360.640.8111.2
ΔpstLWA
PadB(A)

100

28

32

34

36

38

40

41

42

43

200

37

41

44

46

47

50

51

51

52

500

49

53

56

58

59

>60

>60

>60

>60

1000

59

>60

>60

>60

>60

>60

>60

>60

>60

1500

>60

>60

>60

>60

>60

>60

>60

>60

>60

2000

>60

>60

>60

>60

>60

>60

>60

>60

>60


Quick sizing tables provide a good overview of the sound power levels and differential pressures that can be expected. Approximate intermediate values can be interpolated. Precise intermediate values and spectral data can be calculated with our Easy Product Finder design programme.

The sound power levels LWA apply to multileaf dampers with a cross-sectional area (B × H) of 1 m².

The differential pressures apply to multileaf dampers installed in ducts (installation type A).

JZ-HL-AL, quick sizing – differential pressure and sound power level

vDamper blade position α
vOPEN20°40°60°80°
vΔpstLWAΔpstLWAΔpstLWAΔpstLWAΔpstLWA
m/sPadB(A)PadB(A)PadB(A)PadB(A)PadB(A)

0.5

<5

<30

<5

<30

<5

<30

22

42

245

67

1

<5

<30

<5

<30

8

35

90

58

985

83

2

<5

<30

<5

32

32

51

350

74

>2000

>90

4

<5

43

12

48

125

67

1390

90

>2000

>90

6

<5

52

24

57

275

76

>2000

>90

>2000

>90

8

10

59

45

64

490

83

>2000

>90

>2000

>90

10

14

64

70

69

765

88

>2000

>90

>2000

>90


Rectangular multileaf dampers for volume flow and pressure control as well as for low-leakage shut-off of ducts and openings in walls and ceiling slabs.

Ready-to-operate unit which consists of the casing, aerofoil blades and the blade mechanism.

Flanges on both sides, suitable for duct connection.

The blade position is indicated externally by a notch in the blade shaft extension.

Closed blade air leakage to EN 1751, class 4.

Casing air leakage to EN 1751, class C.

Special characteristics

  • Aerofoil blades
  • Low-maintenance, robust construction
  • No parts with silicone
  • Available in standard sizes and many intermediate sizes
  • Closed cell side seals meet increased hygiene requirements

Materials and surfaces

  • Casing and blades made of extruded aluminium sections
  • Shafts, bearing plate and position indicator made of galvanised steel
  • Blade tip seals made of PE/PTV plastic
  • P1: Powder-coated, RAL CLASSIC colour
  • PS: Powder-coated, DB colour
  • S3: Anodised to EURAS standard, E6-C-0

Technical data

  • Nominal sizes: 200 × 100 mm – 1200 × 1000 mm
  • Maximum static differential pressure for a closed multileaf damper: 2000 Pa
  • Operating temperature: 0 to 90 °C

Sizing data

  • V _______________________ [m³/h]
  • Δpst _______________________ [Pa]

Air-regenerated noise

  • LPA _______________________ [dB(A)]
00267063_0

 Type
JZ-HL-AL       Low-leakage multileaf damper made of aluminium, closed blade air leakage to EN 1751, class 2

 Nominal size [mm]
       B × H

 Installation subframe
       No entry: none
ER       With installation subframe

 

 Attachments
Z04 Quadrant stay
Z05 – Z07 Quadrant stay and limit switches
Z12 – Z51 Actuators
ZF01 – ZF15 Spring return actuators
Z60 – Z77 Pneumatic actuators

 Damper blade safety function
       Only for spring return actuators or pneumatic actuators
NO       Pressure off/power off to OPEN
NC       Pressure off/power off to CLOSE

 Surface
       No entry: standard construction
P1       Powder-coated, specify RAL CLASSIC colour
PS       Powder-coated, specify DB colour
S3       Anodised to EURAS standard, E6-C-0

       Gloss level
       RAL 9010 50 %
       RAL 9006 30 %
       All other RAL colours 70 %

Order example: JZ-HL-AL/800×500/Z04/S3

Nominal size

800 × 500 mm

Installation subframe

Without

Attachments

Quadrant stay

Surface

Anodised to EURAS standard, E6-C-0, natural colour


 

Attachments, Dimensions and weight, Product details

  • Attachments
  • Dimensions and weight
  • Product details

Quadrant stays and limit switches

Order code detailMeaningLimit switchFunction

Z04

Quadrant stay


Z05

Quadrant stay

1

Damper blade position CLOSED

Z06

Quadrant stay

1

Damper blade position OPEN

Z07

Quadrant stay

2

Damper blade positions CLOSED nad OPEN


Open/Close actuators

Order code detailMeaningFunctionSupply voltageTorqueAuxiliary switch

Z12

SM230A

–1-wire-control –2-wire-control (3-point)

100 – 240 V AC

20 Nm

Z14

SM24A

–1-wire-control –2-wire-control (3-point)

24 V AC/DC

20 Nm

Z16

SM230A

–1-wire-control –2-wire-control (3-point)

100 – 240 V AC

20 Nm

S2A

Z18

SM24A

–1-wire-control –2-wire-control (3-point)

24 V AC/DC

20 Nm

S2A

Z42

LM230A

–1-wire-control –2-wire-control (3-point)

100 – 240 V AC

5 Nm

Z43

NM230A

–1-wire-control –2-wire-control (3-point)

100 – 240 V AC

10 Nm

Z44

LM24A

–1-wire-control –2-wire-control (3-point)

24 V AC/DC

5 Nm

Z45

NM24A

–1-wire-control –2-wire-control (3-point)

24 V AC/DC

10 Nm

Z46

LM230A

–1-wire-control –2-wire-control (3-point)

100 – 240 V AC

5 Nm

S2A

Z47

NM230A

–1-wire-control –2-wire-control (3-point)

100 – 240 V AC

10 Nm

S2A

Z48

LM24A

–1-wire-control –2-wire-control (3-point)

24 V AC/DC

5 Nm

S2A

Z49

NM24A

–1-wire-control –2-wire-control (3-point)

24 V AC/DC

10 Nm

S2A

Minimum torque of multileaf damper has to be considered when selecting the actuator.


Open/Close actuators, fast-running

Order code detailMeaningFunctionSupply voltageTorqueAuxiliary switch

ZS21

SMQ24A

–1-wire-control

24 V AC/DC

16 Nm

ZS22

SMQ24A

–1-wire-control

24 V AC/DC

16 Nm

S2A


Open/Close actuators, spring return

Order code detailMeaningFunctionSupply voltageTorqueAuxiliary switch

ZF01

NF24A

Supply voltage on/off

24 V AC/DC

10 Nm

ZF02

NFA

Supply voltage on/off

24 – 240 V AC 24 – 125 V DC

10 Nm

ZF03

NF24A-S2

Supply voltage on/off

24 V AC/DC

10 Nm

integrated

ZF04

NFA-S2

Supply voltage on/off

24 – 240 V AC 24 – 125 V DC

10 Nm

integrated


Modulating actuators

Order code detailMeaningFunctionSupply voltageTorqueAuxiliary switch

Z20

SM24A-SR

2 – 10 V DC

24 V AC/DC

20 Nm

Z50

LM24A-SR-F

2 – 10 V DC

24 V AC/DC

5 Nm

Z51

NM24A-SR

2 – 10 V DC

24 V AC/DC

10 Nm

Minimum torque of multileaf damper has to be considered when selecting the actuator.


Modulating actuators, spring return

Order code detailMeaningFunctionSupply voltageTorqueAuxiliary switch

ZF05

NF24A-SR

2 – 10 V DC

24 V AC/DC

10 Nm


Double acting pneumatic actuators

Order code detailMeaningDamper blade safety functionOperating pressureTorque at 6 barLimit switchSolenoid valve

Z60

DR030

1.2 – 6 bar

35 Nm

Z61

DR030

Power off to close/open

1.2 – 6 bar

35 Nm

24 V DC

Z62

DR030

Power off to close/open

1.2 – 6 bar

35 Nm

230 V AC

Z63

DR030

1.2 – 6 bar

35 Nm

2


Z64

DR030

Power off to close/open

1.2 – 6 bar

35 Nm

2

24 V DC

Z65

DR030

Power off to close/open

1.2 – 6 bar

35 Nm

2

230 V AC

Z66

DR060

1.2 – 6 bar

70 Nm


Z67

DR060

Power off to close/open

1.2 – 6 bar

70 Nm

24 V DC

Z68

DR060

Power off to close/open

1.2 – 6 bar

70 Nm

230 V AC

Z69

DR060

1.2 – 6 bar

70 Nm

2


Z70

DR060

Power off to close/open

1.2 – 6 bar

70 Nm

2

24 V DC

Z71

DR060

Power off to close/open

1.2 – 6 bar

70 Nm

2

230 V AC

Z60 – Z65: At 1.2 bar operating pressure only up to height H ≤ 650 mm


Single acting pneumatic actuators

Order code detailMeaningDamper blade safety functionOperating pressureTorque at 6 barLimit switchSolenoid valve

Z72

SC060 SO060

Pressure off to close/open

6 bar

30 Nm



Z73

SC060 SO060

Power off and pressure off to close/open

6 bar

30 Nm


24 V DC

Z74

SC060 SO060

Power off and pressure off to close/open

6 bar

30 Nm


230 V AC

Z75

SC060 SO060

Pressure off to close/open

6 bar

30 Nm

2


Z76

SC060 SO060

Power off and pressure off to close/open

6 bar

30 Nm

2

24 V DC

Z77

SC060 SO060

Power off and pressure off to close/open

6 bar

30 Nm

2

230 V AC


JZ-AL, JZ-HL-AL, standard sizes

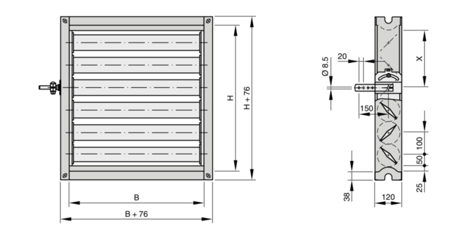
HNo. of bladesPosition of drive shaft
HNo. of bladesXBlade
mmmm

100

1

50

1

200

2

50

1

300

3

50

1

400

4

250

3

500

5

250

3

600

6

250

3

700

7

250

3

800

8

250

3

900

9

250

3

1000

10

250

3


JZ-AL, JZ-HL-AL, intermediate sizes

HNo. of bladesPosition of drive shaft
HNo. of bladesXBlade
mmmm

150

1

50

1

250

2

50

1

350

3

50

1

450

4

250

3

550

5

250

3

650

6

250

3

750

7

250

3

850

8

250

3

950

9

250

3


JZ-HL-AL, weight

HB [mm]B [mm]B [mm]
H200300400500600700800900100011001200
mmkg

100

2

2

2

3

3

3

3

3

3

4

4

200

3

3

3

4

4

4

4

4

5

5

5

300

3

4

4

4

5

5

5

6

6

6

7

400

4

4

5

5

6

6

6

7

7

8

8

500

4

5

5

6

6

7

8

8

9

9

10

600

5

5

6

7

7

8

9

9

10

11

11

700

5

6

7

7

8

9

10

11

11

12

13

800

6

6

7

8

9

10

11

12

13

14

14

900

6

7

8

9

10

11

12

13

14

15

16

1000

7

8

9

10

11

12

13

14

15

17

18


  • Drive shafts (special accessory) upon request

Installation details, Basic information and nomenclature

  • Installation details
  • Basic information and nomenclature

Installation and commissioning

  • With horizontal or vertical blades
  • With or without installation subframe
  • Torsion-free installation
  • Only for installation in internal spaces

Principal dimensions

B [mm]

Duct width

H [mm]

Duct height

n [ ]

Number of flange screw holes

M [kg]

Weight

Nomenclature

LWA [dB(A)]

A-weighted sound power level of air-regenerated noise for the multileaf damper

α [°]

Damper blade position, 0°: OPEN, 90°: CLOSED

A [m²]

Upstream cross section

v [m/s]

Airflow velocity based on the upstream cross section (B × H)

V [m³/h] and [l/s]

Volume flow rate

Δpst [Pa]

Static differential pressure

Δpst max [Pa]

Maximum static differential pressure


All sound power levels are based on 1 pW.

Downloads

product information

certificates

operation manuals

production {"x-frame-options"=>"SAMEORIGIN", "x-xss-protection"=>"0", "x-content-type-options"=>"nosniff", "x-permitted-cross-domain-policies"=>"none", "referrer-policy"=>"strict-origin-when-cross-origin", "strict-transport-security"=>"max-age=31536000; includeSubDomains", "content-type"=>"text/html; charset=utf-8", "link"=>"</assets/application-efbc495b06ca980ef13dc743756002fce2f413f798fecb64c7f0c81954c16402.css>; rel=preload; as=style; nopush,</assets/print-fec2e47d6d8dcc5d4c101139f17046ba981ca1c12f71e7e403fba50cc7584175.css>; rel=preload; as=style; nopush,</assets/other_js/modernizr.custom.93544-c26374a79d804901074bb4aa6fd3fa44ea22e840389915d2adce16b024021ef3.js>; rel=preload; as=script; nopush,</assets/other_js/js.cookie.min-de103d86d1919b40950f791699b4ce768137fde41af09b35ff92bde369732183.js>; rel=preload; as=script; nopush,</assets/other_js/jquery-3.5.1-2c4ce18a1a3f144c333912efc24a76c9a165a0dba9f88a499985df1af0a196a2.js>; rel=preload; as=script; nopush"}

Share page

Recommend this page

Recommend this page by sending a link by mail.

Fields marked with an (*) are required fields.

Share page

Thank you for your recommendation!

Your recommendation has been sent and should arrive shortly.

Contact

We are here for you

Please specify your message and type of request.
Tel.: +44 (0)1842 754545 | Fax: +44 (0)1842 763051

Attachment (max. 10MB)

Fields marked with an (*) are required fields.

Contact

Thank you for your message!

Your message is send and will be processed shortly.
Our department for Service-Requests will contact you asap.
For general question regarding products or services you can also call:
Tel.: +44 (0)1842 754545 | Fax: +44 (0)1842 763051

Contact

We are here for you

Please specify your message and type of request.
Tel.: +44 (0)1842 754545 | Fax: +44 (0)1842 763051

Attachment (max. 10MB)

Fields marked with an (*) are required fields.

Contact

Thank you for your message!

Your message is send and will be processed shortly.
Our department for Service-Requests will contact you asap.
For general question regarding products or services you can also call:
Tel.: +44 (0)1842 754545 | Fax: +44 (0)1842 763051